[友善列印]
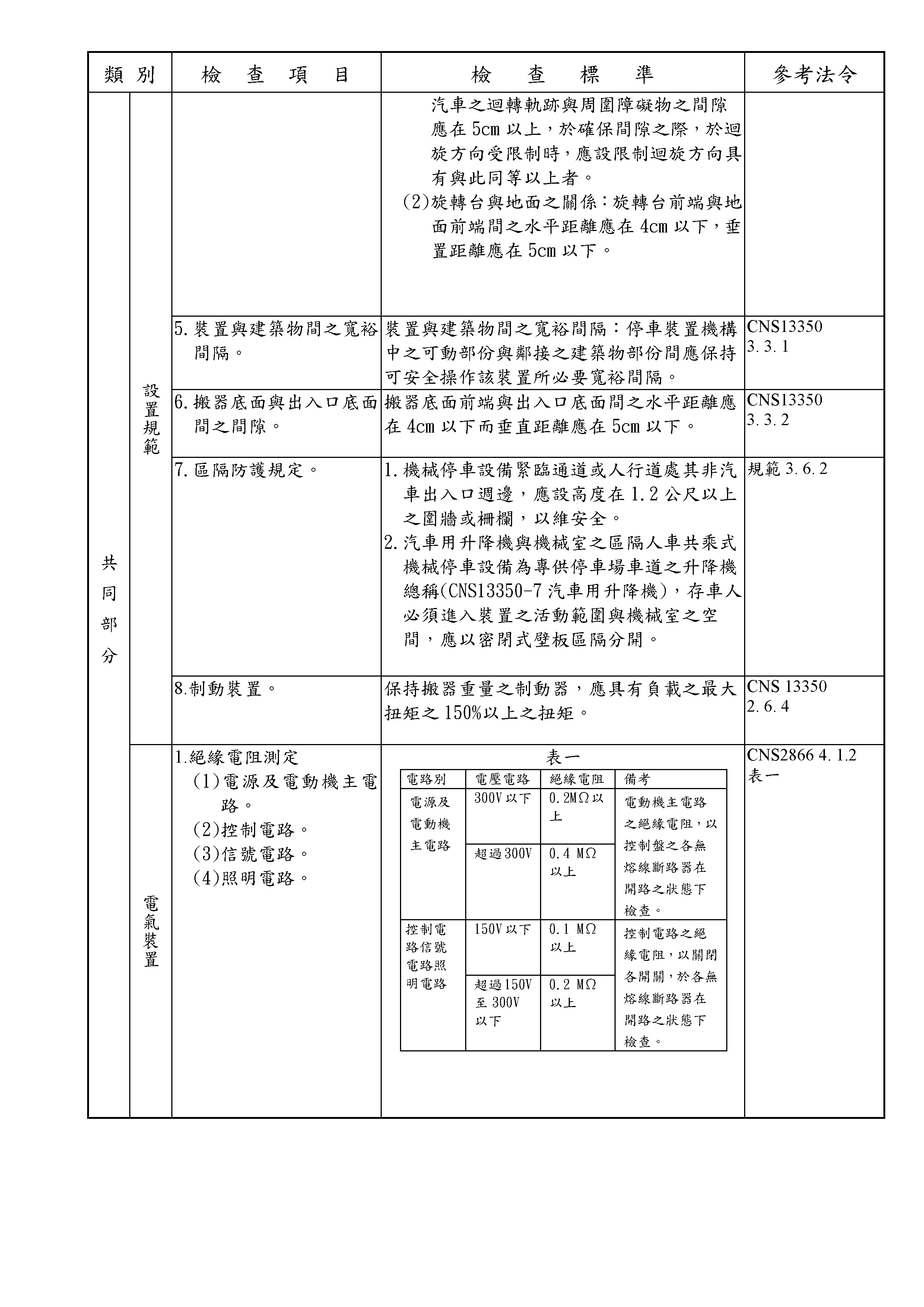
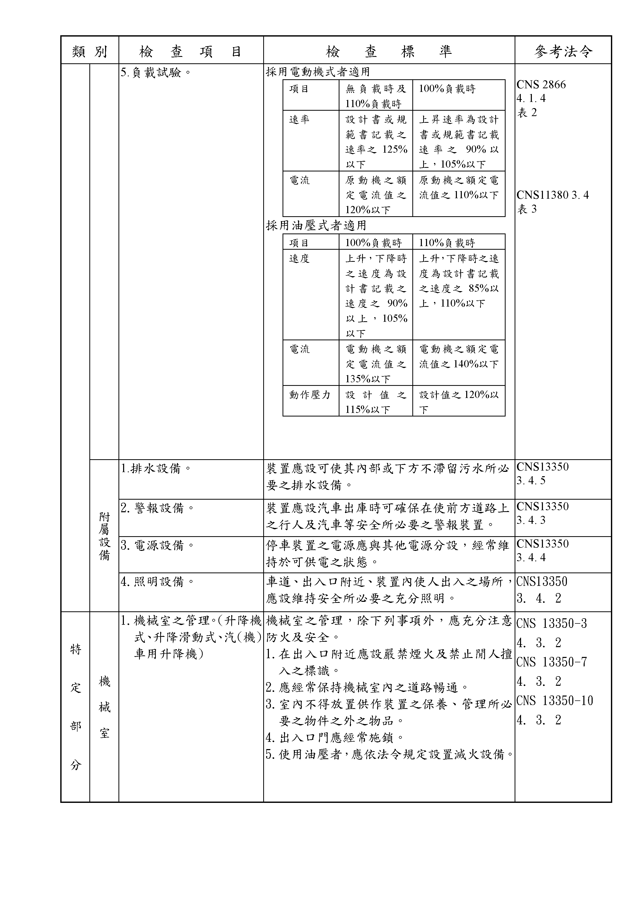
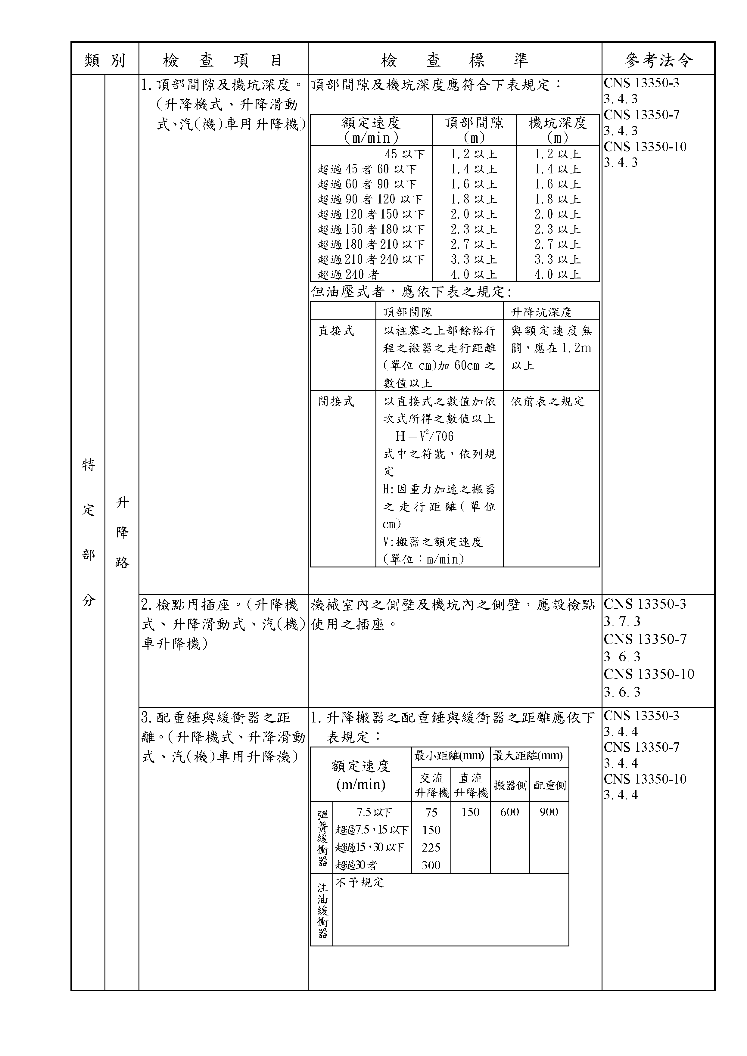
<M-18>建築物機械停車設備竣工檢查標準表
內政部95.3.20台內營字第0950800456號令訂定
內政部99.9.17台內營字第0990806894號令修正「M1、M2、M3、M4、M5、M6、M18」7種書、表、證
內政部99.9.17台內營字第0990806894號令修正「M1、M2、M3、M4、M5、M6、M18」7種書、表、證
沿革:
<M-18>建築物機械停車設備竣工檢查標準表(95年版)<M-18>建築物機械停車設備竣工檢查標準表(99年版)